AG集团

官网升级,资料录入中……如遇资料缺失请联系热线
4008-600-979
SRM
SST-NS迷你型软启动器

SST-NS系列软启动器是来⾃于SST产品线中,针对⼩功率规格范围开发的⼀款紧凑型内置旁路式软启动器。该系列覆盖功率范围从1.5kW到11kW,兼容电压范围从208V~460V。本系列继承了SST-NX系列的⼤部分优势特性,使⽤简单,内置开关电源,内置运⾏旁路,可选配外接控制键盘。可选配外接面板。内置控制电源,使用简单,操作方便。可适配小功率设备配套

     SST-NS系列软启动器是来⾃于SST产品线中,针对⼩功率规 格范围开发的⼀款紧凑型内置旁路式软启动器。该系列覆盖功率 范围从1.5kW到11kW,兼容电压范围从208V~460V。本系列继承 了SST-NX系列的⼤部分优势特性,使⽤简单,内置开关电源,内 置运⾏旁路,可选配外接控制键盘。         

      产品内置有基本的电机保护功能,如缺相,过载等。也可设 置为保护全局禁⽤的应急模式,过载范围与过载延时时间可调。产品结构紧凑,与绝⼤多数国际知名品牌尺⼨相仿(尤其宽 度均为45mm),可替代安装。          

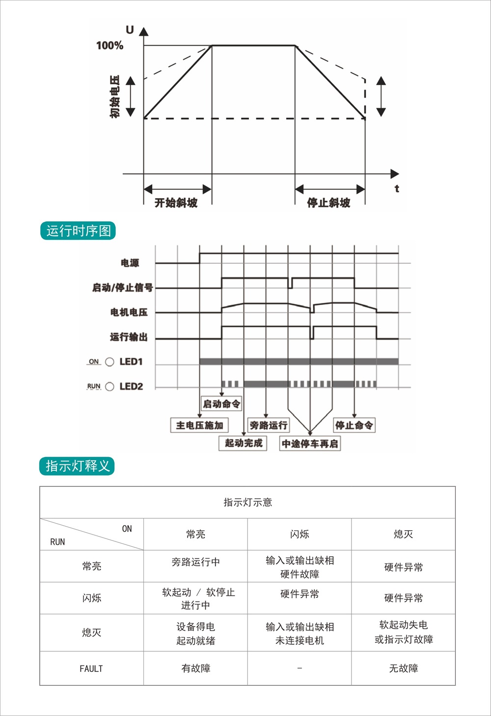
     ⾯板上具备可整定的调节旋钮,基于电压斜坡启动模式,直 观的设定电压斜坡的软启动时间,启始电压与软停⽌时间,简单 易⽤。



名称 版本 格式 大小 日期 下载
SST-NS系列软启动选型三折页(中文) 2505 pdf 7.26 MB 2025-05-20
SST-NS Softstarter Manual in Russian 2407 pdf 1.82 MB 2025-02-08
SST-NS Softstarter Manual in Portuguese 2407 pdf 0.78 MB 2025-02-08
SST-NS Softstarter Manual in Spanish 2408 pdf 0.80 MB 2025-02-08
SST-NS Softstarter Manual in English 2411 pdf 0.87 MB 2025-02-08
SST-NS系列软起动器使用说明书 2407 pdf 0.96 MB 2025-02-07
OETY欧亿 xj星际1277 welcome海洋之神